저번 포스팅에서 시그널 플로우에대 설명했습니다.
오늘 시그널 플로우에서 필요한 장비중 하나를 자세하게 알려드리겠습니다.
마이크란?
마이크는 사람의 청각 기능을 모델링 한것이므로, 전기적인 지식이 전혀 없는 사람들도
구조를 쉽게 이해 할 수 있을 것입니다.
예들 들면 마이크 케이스는 귓바퀴, 얇은 진동판은 고막 그리고 전기 회로는 뇌 세포에 해당 된다고 볼 수 있다.
마이크는 변환 방식에 따라 다이나믹과 콘덴서로 분류하고
다이내믹은 무빙코일형과 리본형 그리고 콘덴서는 튜브와 FET 등으로 나눠어집니다.
변환이란 소리라는 음향 에너지를 오디오 신호라는 전기 에너지로 바꾸는 것을 말합니다.
다이나믹 마이크(Dynamic Microphone)에 무빙 코일형(Moving Coil Type)

무빙코일형의 작동 동작원리는
마이크의 진동판을 건드리며 진동판 뒤의 코일이 움직이면서 전자유도원리에 의해 오디오 신호가 만들어집니다.

용도 : 원래는 이 마이크는 방송국의 나레이션 전용으로 개발된 것이므로 저음과 고음에 비해 2kHz ~ 4kHz 가 높은편이고 외부의
불필요한 저음 진동과 아나운서의 과도한 고음인 치찰음 줄이고 사람이 가장 민감하게 반응하는 중고음을 높여서 청취자에게 더욱 선명한 목소리를 전달하기 위함이다. 또한 악기를 녹음할때 거친 소리(색소폰, 트럼펫등)와 큰 음량의 악기에 마이크를 가까이 사용할때(킥 스네어드럼 일렉기타 앰프) 악기음을 뚜렷하게 부각시킬때(보컬 어쿠스릭 기타) 피드백 줄일 때(라이브 공연)사용된다.
장점 : 상대적으로 저렴하고 충격과 습기에 강하다. 외부 전력이 필요없다.
단점 : 수음 범위가 상대적으로 작기 때문에 미세한 녹음이 힘들고, 수음 범위가 좁기 때문에 마이크와 거리를 둔후 소리를 내면, 마이크에는 소리가 거의 들어가 않는다.
다이나믹 마이크(Dynamic Microphone)에 리본형(Ribbon Type)

리본 마이크 원리는
0.2 ~ 0.3 마이크론의 매우 얇은 골판지 모양의 금속 리본이 무빙 코일과 진동판의 역할을 하여 전자유도 원리에 의해 오디오 신호가 만들어진다.

용도 : 무빙코일형이 스피치용이라면 리본형은 보컬과 악기용으로 개발된 다이나믹 마이크 입니다.
장점 : 무빙코일형에 비해 저음과 중음 그리고 고음 감도가 상당히 높고 매우 작고 가볍기 때문에 음색이 깨긋하고 섬세한 편이다.
단점: 바람 외부충격등에 민감하여 상용시 주의를 요하며 감도가 낮아 야외 녹음에는 적합하지 않다.
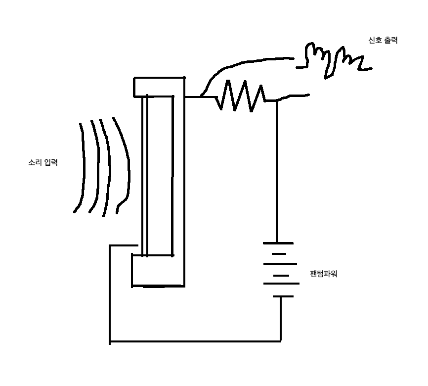
콘덴서 마이크(Condenser Microphone)

콘덴서 마이크은 전기 에너지를 저장하는 커패시터(capacitor)를 벤치마킹한 것이므로 때로는 커패시터 마이크 이라고도 합니다.
이 마이크는 리본형의 우수한 특성을 그대로 유지하면서 크기만을 줄이기 위해 개발된 변환 방식입니다.
통상적으로 콘덴서 마이크는 사용하는 전기 소자에 따라 튜브(Tube)와 FET(Field Effect Transistor)타입으로 분류하는데,
여기서 튜브는 진공관을 FET는 반도체(트랜지스터)를 이용한 것입니다.

용도 : 악기 혹은 앙상블의 직접음과 공간을 함께 픽업할때(오케스타라), 음색을 섬세하게 표현할때(보컬 어크스틱악기) 음량이 작은 악기에 마이크를 가까이 사용할 때 DI 박스로 녹음한 악기에 저음이 필요할때(베이스 기타)
장점 : 다이나믹 마이크보다 미세한 소리를 받아드립니다.
단점 : 습기와 충격에 약하며 별도에 전압장치가 필요하며 다이나믹 마이크에 비해 비싸다.
팬텀 파워(Phantom Power)
팬텀 파워는 콘덴서 마이크가 동작 하는데 필요한 전압입니다.
과거에는 마이크마다 공급 전압이 달랐기 때문에 별도의 팬텀 파워 박스가 필요했지만
지금 DC 48볼트로 표준화되면서 거의 모든 믹싱 콘솔이나 오인페 제공합니다.
하지만 튜브 타입 마이크는 제품마다 필요한 히팅과 플레이트 전압이 다르기 때문에 별도의 팬텀 파워와 마이크 케이블이 필요합니다.
다음에는 특수한 마이크에대한 포스팅하겠습니다.
'음향' 카테고리의 다른 글
| [음향] 신디사이저 기본 파형, 기음,배음,복합파(Complex Wave) (0) | 2022.02.16 |
|---|---|
| [음향] 소리란? 소리의 3요소 (0) | 2022.02.13 |
| [음향] signal flow(시그널 플로우) (0) | 2021.06.30 |
| [음향]하스효과(선행음효과)/마스킹 효과/ 칵테일 효과 (0) | 2021.06.29 |
| [음향] Mono(모노)/Stereo(스테레오)/5.1채널? (0) | 2021.06.28 |